欢迎您光临东莞市玖胜五金弹簧有限公司网站



玖胜弹簧分类

东莞市玖胜五金弹簧有限公司

电话:0769-81816385

传真:13728422099

邮箱:js@9ssp.com

公司地址:东莞市常平镇霞坑工业二路1号1号楼

 

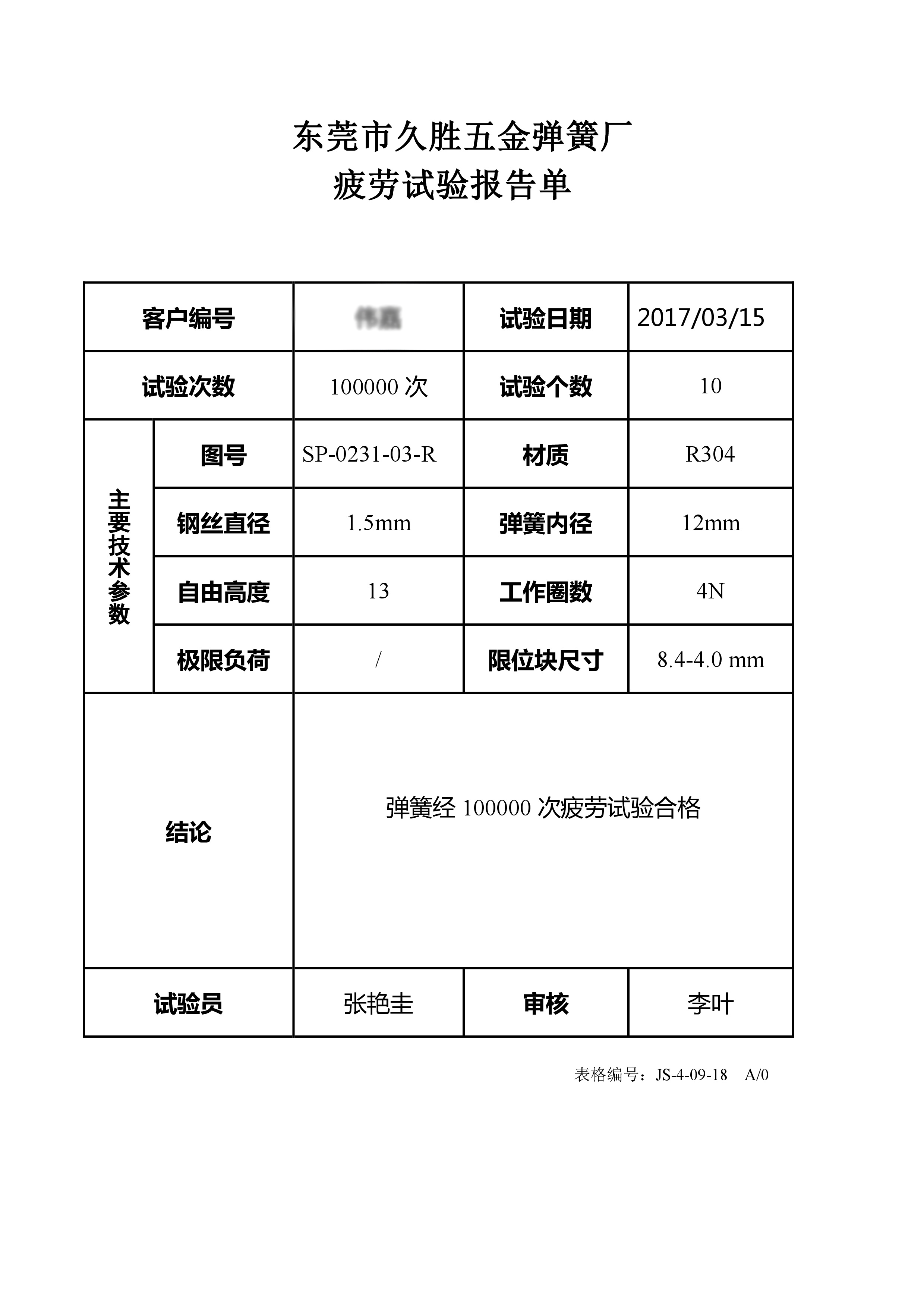
CPK测试报告 疲劳试验报告 盐雾测试报告